導航
  • 通用環保儀器設備
    環境檢測儀
    測溫儀
    溫濕度計
    壓力表
    微壓計
    風速儀
    噪音儀
    照度計
    負離子測試儀
    數據記錄儀
    礦用儀器儀表
    氣體警報儀
    EX可燃氣體檢測儀
    CO一氧化碳檢測儀
    O2氧氣檢測儀
    H2S硫化氫檢測儀
    NH3氨氣檢測儀
    O3臭氧檢測儀
    CH2O甲醛檢測儀
    CL2氯氣檢測儀
    SO2二氧化硫檢測儀
    CO2二氧化碳檢測儀
    有毒有害氣體檢測儀
    劇毒類氣體檢測儀
    有機化合物氣體檢測儀
    煙氣尾氣熏蒸氣體檢測儀
    便攜式復合氣體檢測儀
    手提式復合氣體分析儀
    固定在線式氣體監測儀
    主機控制器
    水質分析儀
    PH/ORP計
    EC電導率儀
    DO溶氧儀
    SS濁度計
    SAL鹽度計
    余氯/二氧化氯/臭氧/TDS溶解性總固體
    離子分析儀
    多參數水質分析儀
    分光光度計
    COD/BOD監測儀
    氨氮/總磷/總氮監測儀
    電極試劑
    凈化儀器設備
    粒子計數器
    粉塵濃度計
    浮游菌采樣器
    風量罩
    氣溶膠光度計
    微生物采樣器
    壓縮空氣采集器
    煙氣采樣器
    超凈工作臺
    生物潔凈安全柜
    風淋室
    自動化及工控設備
    傳感器
    變送器
    顯示儀表
    物位儀表
    數據采集儀
    流量計
    控制器
    CEMS備件
    氣動元件
    電氣電工
    物聯網在線監測系統
  • 無損檢測儀
    測振儀
    測厚儀
    轉速表
    輻射檢測儀
    靜電測試儀
    頻閃儀
    硬度計
    高斯計
    熱像儀
    超聲波探傷儀
  • 光學儀器
    望遠鏡
    輻照計
    色差儀
    分光測色儀
    光澤度計
    光源箱
    熱成像儀
    夜視儀
    熱瞄
  • 實驗室儀器
    天平衡器
    水分測定儀
    密度計
    恒溫/加熱/干燥設備
    粘度計
    離心機
    反應器
    攪拌器
    清洗/消毒/純化設備
  • 工具量具類
    測距儀
    水平儀
    電子秤
    推拉力計
    全站儀
    水準儀
    千分尺
    扭力測試儀
    卡尺
    工具套裝
  • 電子電工類
    萬用表
    鉗形表
    LCR數字電橋
    安規測試儀
    示波器
    電源
    功率計
    電子負載/信號發生器/頻譜分析儀
    電力分析儀
    附件
  • 各大品牌
    1
    美國TSI
    Testo/德圖
    Kanomax/加野
    TES/泰仕
    Vaisala/維薩拉
    Lutron/路昌
    日本COM
    Smart/希瑪
    CEM/華盛昌
    Minthairaj/閩泰瑞澤
    2
    RAE/華瑞
    MSA/梅思安
    加拿大BW
    Testo/德圖
    Cosmos/新宇宙
    RIKEN/理研
    mPower/盟莆安
    ENCEL/英盛
    CI/昶艾
    Minthairaj/閩泰瑞澤
    3
    Hach/哈希
    德國WTW
    美國YSI
    德國E+H
    Lovibond/羅威邦
    Suntex/上泰
    Hanna/哈納
    JENCO/任氏
    Orion/奧立龍
    Minthairaj/閩泰瑞澤
    4
    Lighthouse/萊特浩斯
    MetOne/貝克曼庫爾特
    美國TSI
    美國ATI
    美國Emtek
    Kanomax/加野
    蘇凈集團
    嶗應
    Norda/諾達
    綠林創新
    Minthairaj/閩泰瑞澤
    5
    TIME/時代
    德國EPK
    Fischer/菲希爾
    MONARCH/蒙那多
    QNIX/尼克斯
    DeFelsko/狄夫斯高
    PHYNIX/菲尼克斯
    FLIR/菲力爾
    Quick/快克
    3nh/三恩時
    6
    Bushnell/博士能
    Leica/徠卡
    X-rite/愛色麗
    Proceq/博勢
    KonicaMinolta/柯尼卡美能達
    Pulsar/脈沖星
    美國ATN
    iRay/艾睿
    Guide/高德
    PARD/普雷德
    7
    Mettler Toledo/梅特勒-托利多
    Sartorius/賽多利斯
    上海一恒
    日本AND
    Ohaus/奧豪斯
    G&G/雙杰
    德國IKA
    BROOKFIELD/博勒飛
    SEKO/賽高
    Minthairaj/閩泰瑞澤
    8
    Mitutoyo/三豐
    LUYOR/路陽
    HIOS/好握速
    IMADA/依夢達
    Shimpo/新寶
    Hilti/喜利得
    TOHNICHI/東日
    Sundoo/山度
    Laisai/萊賽
    Foif/一光
    9
    KIMO/凱茂
    Weidmueller/魏德米勒
    Phoenix/菲尼克斯
    日本SMC
    VMECA/威邁科
    Airtac/亞德客
    Schneide/施耐德
    SATA/世達
    GRAPHTEC/圖技
    Minthairaj/閩泰瑞澤
    10
    Tektronix/泰克
    Keysight/是德
    FLUKE/福祿克
    HIIOKI/日置
    KYORITSU/共立
    Gwinstek/固緯
    Victor/勝利
    TongHui/同惠
    Rigol/普源
    Uni-t/優利德

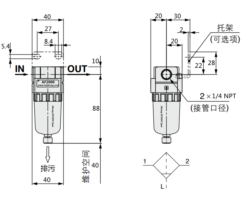
空氣過濾器AF2000

發表時間:2024-09-21 15:13作者:購儀器儀表網

O1CN0104W7Ro2LtYOivUVdr_!!2207714839750.pngO1CN013auUpL2LtYOnEUNw9_!!2207714839750.png

AF-200空氣過濾器


簡介:

濾除氣體中的輕微粉塵


特點:

使用方法:使用不銹鋼管或四氟管等(請根據使用要求和接頭選擇氣管材質和管徑),從AF2000進氣口通入采樣氣體,再從AF2000出氣口連接氣管將過濾后的氣體送入下一連接點。


技術參數

功能:濾除氣體中的輕微粉塵

進氣口:1/4”NPT,可根據需要配置接頭,箭頭指向的反向端為進氣口;

出氣口:1/4”NPT,可根據需要配置接頭,箭頭指向的一端為出氣口。

分享到:
在線客服系統
主站蜘蛛池模板: 平昌县| 铁岭市| 汾阳市| 云浮市| 云林县| 原平市| 东乡族自治县| 调兵山市| 嘉兴市| 柳林县| 九寨沟县| 新乡县| 临沧市| 敦煌市| 军事| 新竹市| 定兴县| 全州县| 乳山市| 吴忠市| 德兴市| 贵溪市| 疏勒县| 郸城县| 苍南县| 新营市| 古丈县| 泾阳县| 台湾省| 福鼎市| 丹东市| 炎陵县| 正阳县| 朝阳县| 招远市| 盐山县| 旺苍县| 林甸县| 永仁县| 大兴区| 榕江县| 白朗县| 安平县| 习水县| 多伦县| 隆化县| 山西省| 桦南县| 锡林浩特市| 法库县| 饶阳县| 特克斯县| 永仁县| 钟祥市| 新民市| 左贡县| 镇江市| 香格里拉县| 旺苍县| 旬邑县| 桐城市| 剑川县| 大同县| 凤凰县| 宣恩县| 凤凰县| 南丰县| 济阳县| 怀柔区| 柳州市| 佛冈县| 刚察县| 舞阳县| 定安县| 上蔡县| 香港 | 五大连池市| 勃利县| 白城市| 乌拉特后旗| 彭泽县| 九江县|