耐高溫風速傳感器型號WS410A4
一、概述
耐高溫防堵型風速風量變送器WS410A4配上標準S型皮托管可實現對高溫煙氣的流量和流速的測量。
二、耐高溫風速傳感器型號WS410A4功能特點
1,不銹鋼皮托管耐溫(450℃), 標配變送器主機: LCD顯示,零位現場可調,滿度現場可調。
2,穩定性好,滿度、零位長期穩定性可達1%FS/年。主機在補償溫度0~70℃范圍內,溫度飄移低于1%FS,在整個允許工作溫度范圍內低于1%FS。
3,具有反向保護、限流保護電路,在安裝時正負極接反不會損壞變送器,異常時變送器會自動限流在35mA以內。
4,固態結構,無可動部件,高可靠性,使用壽命長。
5,安裝方便、結構簡單、經濟耐用。
三、耐高溫風速傳感器型號WS410A4主要技術參數
測量范圍: | 0~10M/S,0~20M/S, 0~30M/S,0~40M/S,0~70M/S |
至大過載: | 標準量程的5倍 |
輸出形式: | 風速,風量 |
精度等級: | 3%F.S. |
分辨率: | 0.01 |
電源電壓: | 24VDC |
負載電阻: | ≤500Ω |
穩定性: | ±1% F·S/年 |
相對濕度: | 0~95% |
補償溫度: | 0~70℃ |
工作溫度: | -40~800℃,超過400℃法蘭后端引壓管加長10cm |
防護等級: | IP54 |
四、接線
五、安裝示意

注意探頭前后留5倍管徑直管段
六、按鍵說明
M:選擇與確認 >:移動光標 ∧:更改數據
菜單說明:
長按M鍵4秒,輸入密碼11,進入菜單
1:模式-----1--顯示風速
2--顯示風量
3--風速 ,風量同時顯示
2:管道面積輸入
3:系數 (用于調整當前值)
4:輸出----1-- 上限報警
2-- 下限報警
3-- 阻尼調節
4-- 通信地址
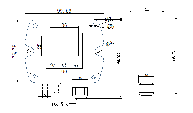
七、外形尺寸

八、皮托管選型
S型皮托管 皮托管系數0.86~0.89
皮托管為定制產品:法蘭尺寸 ,螺紋尺寸,探頭長度均可以定制